NoxPlayerを使い、 PLC Ladder Simulator をPCでプレイ
アプリ紹介
重要:あなたは、このアプリを使用する前に、それを使用する方法についてのチュートリアルビデオを参照してください。
- https://youtu.be/I9X7u_z0JCA
業界ではPLCがあるため、工業プロセスの実行中に脳としての役割の最も重要なオートメーション・デバイスです。この脳は整然とした、連続的にタスクを実行できるようにするには、構文を使用しています。
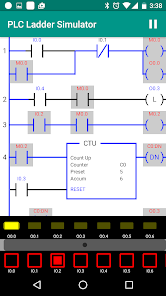
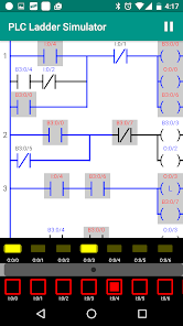
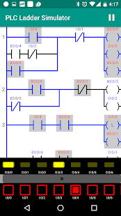
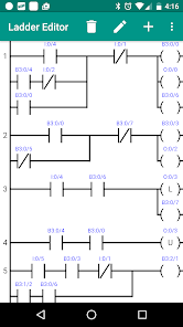
PLCの母国語は「ラダーロジック」と呼ばれています。それはレールとラングとはしごに似た形にレイアウトすることができるというラダーロジックは、グラフィカルです。ラダー論理図は、従来のPLCの出現に電子回路に用いたリレー回路図から独自に開発しました。
PLCのラダーシミュレータは、実際のPLCのI / Oポートをシミュレート入出力オブジェクトとAndroidオペレーティングシステム用のシミュレータです。あなたはこれらの図で使用される標準セットのコンポーネントを使用したラダー論理図を作成するために、PLCのラダーシミュレータを使用することができます。
PLCのラダーシミュレータは、世界で利用可能なユニークなオプションを備えており、それは、Androidの携帯電話を使用して、プログラムの可能性ラダーデザインとArduinoのボードです。だから、実際にそれが何をするかそれはPLC(プログラマブルロジックコントローラ)へのArduinoを変換です。アプリは、USB OTGケーブルまたはBluetoothモジュールを使用してアルドゥイーノにコードを書き込みます。
Arduinoのモードには、ArduinoのUNO(atmega328)とM5Stack ESP32と互換性があります。
注:このアプリは、あなたがしたい場合は、それを試すことができ、唯一のAndroid携帯電話のために、タブレットでは動作しません。
これは、いくつかのサムスンのギャラクシータブ4では動作しません。
アプリがあなたのデバイス上で動作する可能性を確保するために、ビデオチュートリアルの例に従ってください。
ビデオチュートリアル(英語):https://youtu.be/I9X7u_z0JCA
PLCラダーシミュレータウェブサイト:http://plcladdersimulator.weebly.com/
[email protected]:ご質問や問題がある場合は、で私に連絡することができます
- https://youtu.be/I9X7u_z0JCA
業界ではPLCがあるため、工業プロセスの実行中に脳としての役割の最も重要なオートメーション・デバイスです。この脳は整然とした、連続的にタスクを実行できるようにするには、構文を使用しています。
PLCの母国語は「ラダーロジック」と呼ばれています。それはレールとラングとはしごに似た形にレイアウトすることができるというラダーロジックは、グラフィカルです。ラダー論理図は、従来のPLCの出現に電子回路に用いたリレー回路図から独自に開発しました。
PLCのラダーシミュレータは、実際のPLCのI / Oポートをシミュレート入出力オブジェクトとAndroidオペレーティングシステム用のシミュレータです。あなたはこれらの図で使用される標準セットのコンポーネントを使用したラダー論理図を作成するために、PLCのラダーシミュレータを使用することができます。
PLCのラダーシミュレータは、世界で利用可能なユニークなオプションを備えており、それは、Androidの携帯電話を使用して、プログラムの可能性ラダーデザインとArduinoのボードです。だから、実際にそれが何をするかそれはPLC(プログラマブルロジックコントローラ)へのArduinoを変換です。アプリは、USB OTGケーブルまたはBluetoothモジュールを使用してアルドゥイーノにコードを書き込みます。
Arduinoのモードには、ArduinoのUNO(atmega328)とM5Stack ESP32と互換性があります。
注:このアプリは、あなたがしたい場合は、それを試すことができ、唯一のAndroid携帯電話のために、タブレットでは動作しません。
これは、いくつかのサムスンのギャラクシータブ4では動作しません。
アプリがあなたのデバイス上で動作する可能性を確保するために、ビデオチュートリアルの例に従ってください。
ビデオチュートリアル(英語):https://youtu.be/I9X7u_z0JCA
PLCラダーシミュレータウェブサイト:http://plcladdersimulator.weebly.com/
[email protected]:ご質問や問題がある場合は、で私に連絡することができます

PLC Ladder SimulatorをPCプレイのやり方や仕組み

1お使いのPCでNoxPlayerをダウンロードします

2ダウンロードされたファイルを実行して PCにインストールします。

3NoxPlayerを起動し、検索バーに PLC Ladder Simulatorを入力して検索します

4GoogleにサインインしてGoogle Play ストア経由で アプリをインストールします

5ホーム画面にてアプリのアイコンを クリックしてアプリを起動します。

6PLC Ladder SimulatorをPCでダウンロードしてプレイする方法
お役立ち情報
オープンソースであるAndroidをもとにしており、NoxPlayer内アプリのダウンロードもGooglePlayから行われるのが前提となっており、 違法性がなく誰でも無料&安心して利用できます。iPhoneやAndroidスマホでもSNS連携済みのゲームアカウントを利用すれば、PCでスマホと同じデータでプレイできます! 更に、NoxPlayerがGDPR(EU一般データ保護規則)に準拠しており、個人情報やプライバシーを保護することを約束します。
PLC Ladder Simulatorのプレイ動画
PLC Ladder Simulatorをプレイするには、スマホの小画面ではやりづらいとでも思われるプレイヤーにNoxPlayerをご紹介します!NoxPlayerでプレイのメリットがPCの大画面だけではなく、キーボードもマウスもコントローラーも対応というところもあります!PLC Ladder SimulatorをPCでダウンロードし、プレイすることでバッテリー消耗激しい、空き容量不足、着信などによる邪魔という心配も解消されます。Android7に対応した最新版のNoxPlayerでは、99%のスマホゲームがプレイできます。スマホアプリやスマホゲームをPCで起動させるための最強かつ一番軽いAndroidエミュレーターです。スマホ以上の操作感を実現しています。当然ながら、NoxPlayerに内蔵されているのがオープンソースの純正AndroidOSとなっており、安全性もバッチリです。
NoxPlayerのマルチプレイ機能を使うことで、多重起動そして複数ゲームの同時プレイが可能になります。独自な仮想化技術、そしてAMDやIntelとの高い互換性を備え、一番軽くて安定なプレイ体験を届いています。今すぐダウンロードしましょう!
NoxPlayerのマルチプレイ機能を使うことで、多重起動そして複数ゲームの同時プレイが可能になります。独自な仮想化技術、そしてAMDやIntelとの高い互換性を備え、一番軽くて安定なプレイ体験を届いています。今すぐダウンロードしましょう!
お気に入りのアプリをNoxPlayerで満喫しよう
NoxPlayerがWin・Mac上起動できます。PC上のブラウザからNoxPlayerをダウンロードください

